Blog – GNSS/RTK F9P Drotek+ESPrtk development board – ESP32 RTK.

Drotek ESPrtk DEV board.

Image (), Link : https://esprtk.com/wp-content/uploads/2020/11/screencapture-drotek-2020-11-21-03_59_17.png- Copy right ESPrtk


Two Drotek V4 boards was sent from France to VietNam πŸ‡«πŸ‡·πŸ‡»πŸ‡³ πŸ₯°
Will be available for sale on the store soon!πŸ›°βœˆοΈπŸšœπŸš€

About Drotek.

Drotek is a leading GNSS / RTK production company in the world.

Drotek owns factories located in France and produces the highest quality products.

Not only GNSS / RTK, Drotek also expanded its ecosystem in many areas:

Image (), Link : https://esprtk.com/wp-content/uploads/2020/11/screencapture-drotek-2020-11-21-03_59_17.png- Copy right ESPrtk

  • Drotek Electronics : offers a full range of electronic design and manufacturing services for many applications ranging from vehicle positioning to full automation. Its solutions are now proven and recognized by professionals in the sector.
  • Drotek Robotic: design and integrate innovative cost-effective robotic solutions for complicated applications to everyday tasks. From small stand-alone systems to large integrated processes, we provide custom robotic and automation systems for industries of all types. We design and develop your robotic projects.
  • Drotek Events: develops light show drone solutions that are both innovative and easy to use to allow you to boost your activity. Discover the technology of IO STAR light show drones and offer your customers a unique air show.

The goals.

Drotek products always make users feel satisfied because of its excellent quality.

The ESPrtk development team realizes one thing: both ESPrtk and Drotek are aiming for one goal, which is to create high quality products at low cost.

Drotek is known as one of the first brands to provide the RTK community with high-precision professional positioning solutions with RTK chips from Ublox.

ESPrtk has over 3 years of development, and is also the first brand in the world to use the ESP32 chip to replace the CPU on RTK product lines with equivalent quality.

This is a good time for us to look to Drotek.

Drotek + ESPrtk.

The ESPrtk team then contacted directly with Drotek’s marketing specialist and technology engineer to discuss the cooperation model.

We trusted each other and the negotiation process of ESPrtk and Drotek has ended successfully.

ESPrtk and Drotek officially shook hands and started working together.

The first draft of the Drotek + ESPrtk board was then completed after a month.

It was then revised several times to match ESPrtk version 3.5.x and ESPrtk 3.9.x.

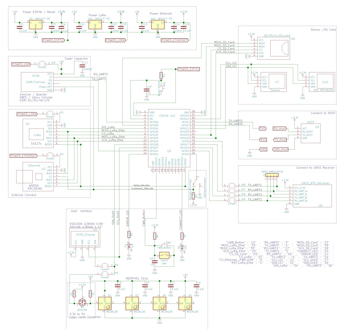
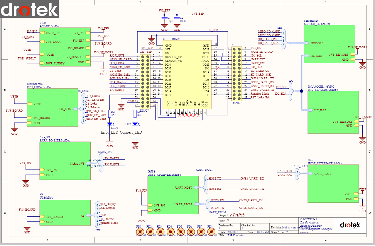
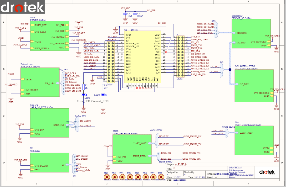
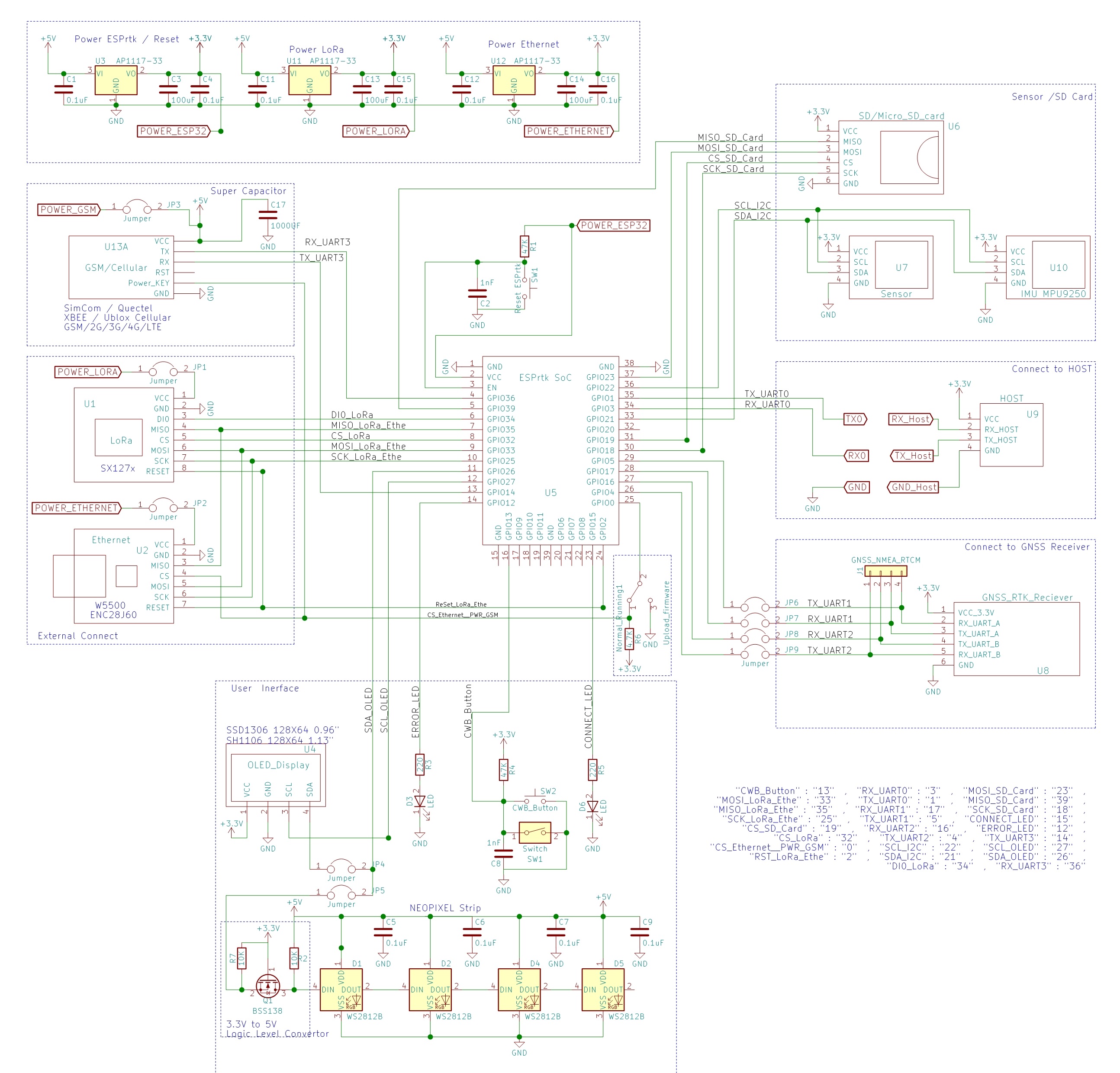
It fully supports the peripherals that ESPrtk 3.9.8 supports: ZED-F9P, WIFI radio, Bluetooth Classic , Bluetooth BLE, Ethernet, LoRa radio, SD Card, IMU sensor, Magnetic sensor, 3G/4G Ublox SaRa, Neopixel LED, expansion pin for OLED display.

This design is suitable for fans of F9P and ESPrtk.

And Yes ! You can use ESPrtk firmware for ESP32 on this board or program it by yourself or both of them.

(By default, this board, when on sale, supports the registration of the ESPrtk firmware so you can immediately use it for all applications and all sensors/module as a Plug-and-Play device.
To be able to program it, you need to cancel use ESPrtk firmware temporarily so that the ESP32 chip can accept your code.
Of course, because your ESP32 has been registered ESPrtk firmware before from the Drotek factory, you can still go back to using the ESPrtk firmware for free and forever.).

(Hardware design copyright belongs to Drotek.com)

Other board.

Drotek also produced a smaller RTK version, the Beacon RTK .

Everything F9P RTK / ESP32 (WiFI / Bluetooth) / DA233 Antenna / Battery / LED / SD Card /IMU/, .. is in a single design.


(Hardware design copyright belongs to Drotek.com)

Progress.

Now is March 2021 and we are manufacturing DEV PCB for the first prototype. It will be sent to the ESPrtk development team for performance evaluation. A beautiful and smaller circuit board will be redesigned for commercial purposes.

(Hardware design copyright belongs to Drotek.com)

( This DEV board support RM3100 – Geomagnetic , DPS310/ BMP280 – Barometric , BMI088 – Accelerometer +Gyroscope , ICM20689 – Magnetometer , SSD1306/ SH1106 – OLED Display , MPU9250 – Accelerometer /Gyroscope /Magnetometer ).

(Hardware design copyright belongs to Drotek.com)

(Hardware design copyright belongs to Drotek.com)

Okay, now April 2021.

This board assembled in France by Drotek It was the first prototype JUST for code testing, it had a green PCB, have some bugs and missing some components . (Of course, we know).😊

A nicer and better DEV board will be available as soon as we test it and ensure it works well.πŸ˜‰πŸ₯°

(Hardware design copyright belongs to Drotek.com)

Okay, now Jun 2021.

We continued development and bug fixes for the 2nd prototype of the Drotek Dev board. In process by Drotek ! Not the final version yet but will be the best version. Well done ! πŸ‘πŸ‘πŸ‘

(Hardware design copyright belongs to Drotek.com)

Okay, now is the end of July 2021.

We ended the test with the 2nd version board.There is still much things to do in the near future for new boards ! Thanks to the efforts of the Drotek development team. In particular we would like to thank Ronan GUERINEL and Damien Marragonis ! You guys did a really great jobs ! πŸ‘πŸ‘πŸ‘

(Hardware design copyright belongs to Drotek.com)

(Hardware design copyright belongs to Drotek.com)

(Hardware design copyright belongs to Drotek.com)

(Hardware design copyright belongs to Drotek.com)

(Hardware design copyright belongs to Drotek.com)

(Hardware design copyright belongs to Drotek.com)

See video below :

Okay, now is 2/2022 and we complete V4 !.

Image (), Link : https://esprtk.com/wp-content/uploads/2020/11/screencapture-drotek-2020-11-21-03_59_17.png- Copy right ESPrtk

We do not raise funds, but any support for this project is always appreciated. If you are interested in this project, you can contact Drotek to pre-order and donate money the project to Drotek or ESPrtk accounts.

For more information about the ‘Drotek + ESPrtk’ development board, please contact:

Main Email 24/7 :

  • contact@esprtk.com : ESPrtk marketing, service and support.
  • sales@drotek.com : Drotek marketing, service and support.
  • jerome.perin@drotek.com : Jerome PERIN . Drotek technology engineer and marketing .
  • ronan.guerinel@drotek.com : Ronan GUERINEL. Drotek technology engineer .

Other new Email :

  • laurie.borrel@drotek.com: Laurie BORREL. Drotek technology engineer
  • anthony@drotek.com : Anthony Joy Sugunarajah. Drotek technology engineer .
  • claire.parente@drotek.com : Claire PARENTE . Drotek technology engineer .
  • romain.trome@drotek.com : Romain TROME. Drotek technology engineer .
  • damien.marragonis@drotek.com : Damien Marragonis. Drotek technology engineer .
  • yoann.boussel@drotek.com : Yoann BOUSSEL. Drotek technology engineer .

Other older Email :

  • corentin.vretman@drotek.com : Corentin Vretman . Drotek technology engineer
  • paul.thelu@drotek.com : Paul Thelu . Drotek technology engineer .
  • anthony@drotek.com : Anthony Joy Sugunarajah . Drotek technology engineer .